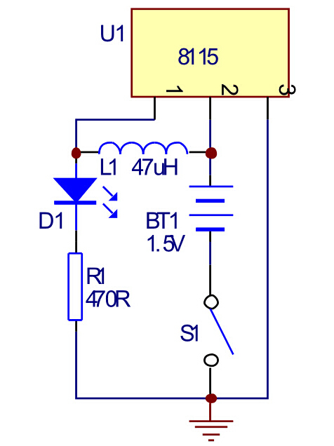
My flashlight is based on the YX8115 ic. It is meant if those solar
garden
lights but i am using it as a 1.5v led flashlight. This is a simple project that
can be built in 20
minutes.
It has 5 components(not including the battery).
I also found a kit based on
this ic I will show you the link after

